過江龍衛浴

過江龍玻璃膠,完美家居新“膠”點 權威認證,品質保證

發布日期:2025-03-11   點擊次數 4264 次 分享到  微博 QQ空間 QQ微博 豆瓣

在家裝和建筑領域,玻璃膠是不可或缺的材料之一,性能直接影響到家居環境的健康與安全。過江龍推出的玻璃膠,經過專業權威檢測,各項指標均符合或超國家標準,憑借其卓越的防霉性能和環保標準,成為了眾多家庭和工程的首選。

 360截圖20250307103745618.jpg

法國A+環保認證  安全無憂

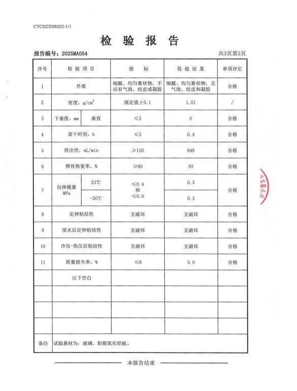
過江龍玻璃膠不僅防霉效果出眾,更在環保方面達到了國際領先水平。通過法國A+有害物質析出量檢測標準,有害物質析出量遠低于國家標準,確保在使用過程中不會釋放有害氣體,保障您和家人的健康。同時,經過國內多家權威機構多項性能測試,包括外觀、密度、干燥時間、彈性恢復率、拉伸強度等,均符合或超過國家標準

 法國A+證書.jpg

強效防霉,守護家居健康

過江龍玻璃膠特別推出了廚衛防霉款,專為潮濕環境設計,能夠有效防止霉菌滋生。經過嚴格的防霉標準(GB/T 1741-2020)檢測,過江龍玻璃膠在28天的防霉測試中表現出色,防霉等級達到0級,確保您的廚衛空間持久潔凈。

 360截圖20250307102915610.jpg

專業檢測,值得信賴

過江龍玻璃膠通過了多家權威檢測機構的認證,包括飛凡標準技術服務(蘇州)有限公司、中國國檢測試控股集團股份有限公司以及廣東省微生物分析檢測中心。每一批次的玻璃膠都經過嚴格的檢測,確保產品質量穩定可靠。我們每一個步驟都嚴格遵循環保標準和質檢流程不僅是您家居裝修的得力助手,更是您健康生活的堅實保障。

 

 360截圖20250307103706505.jpg

如果您正在尋找一款高性能、環保安全的玻璃膠,過江龍玻璃膠絕對是您的不二之選。撥打全國招商熱線:400-665-0099了解更多產品信息,過江龍玻璃膠品質與健康的雙重保障,為您的家居環境保駕護航!

 二維碼.png


上一篇:對不起,這就是第一篇文章了~

下一篇:收心聚力!過江龍節后開啟高效模式

主站蜘蛛池模板: 莱阳市| 南皮县| 新野县| 客服| 江门市| 射阳县| 太康县| 栾城县| 甘洛县| 武宁县| 宜城市| 林甸县| 襄垣县| 合川市| 哈巴河县| 天峨县| 买车| 吉林省| 上虞市| 蚌埠市| 巩义市| 江都市| 桦川县| 克拉玛依市| 通许县| 兴仁县| 汝南县| 体育| 东乌珠穆沁旗| 启东市| 铜川市| 瑞安市| 旬邑县| 娄烦县| 霍山县| 中西区| 青浦区| 香格里拉县| 噶尔县| 抚顺县| 昌邑市|